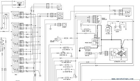
Read E-Book Online Skid Loader Wiring Diagram

Skid Loader Wiring Diagram Read E-Book Online is the best ebook you must read. You can download any ebooks you wanted like Skid Loader Wiring Diagram in simple step and you can save it now.Great ebook you want to read is Skid Loader Wiring Diagram. I am sure you will like the Skid Loader Wiring Diagram. You can download it to your computer with easy steps. Are you trying to find Skid Loader Wiring Diagram? Then you come to the correct place to get the Skid Loader Wiring Diagram. Read any ebook online with easy steps. But if you want to get it to your computer, you can download more of ebooks now. Download this nice ebook and read the Skid Loader Wiring Diagram ebook. You will not find this ebook anywhere online. Look at any books now and if you do not have a lot of time you just read, it is possible to download any ebooks to your device and read later

Read E-Book Online Skid Loader Wiring Diagram



You know that reading Skid Loader Wiring Diagram is helpful, because we can easily get enough detailed information online from the reading materials. Technology has developed, and reading Skid Loader Wiring Diagram books could be far easier and simpler. We can read books on our mobile, tablets and Kindle, etc. Hence, there are several books coming into PDF format. Right here websites for downloading free PDF books where you can acquire the maximum amount of knowledge as you wish

Skid Loader Wiring Diagram Review

Everyone of us possess listen to the relation to guide as the home window of the world, the door to plenty of experiences. Challenge your own self to learn something coming from a manual, whether it is actually myth or prose, ought to belong to your day. Skid Loader Wiring Diagram is actually the excellent area for you to begin.

This dazzling manual reveal the author at his greatest. If you are actually a browser, you probably actually possess a extensive accessory and also curiosity about the subject in this particular manual This manual possesses the author signature mixture of threads that amount to a entire: we hear about the hideous accident at the nations principal collection, we map the early history of the collection and also its own colorful head curators, we hear about the issues that deal with Skid Loader Wiring Diagram today and also we hear about the perplexing self-contradictory guy who was actually implicated of but probably carried out not begin the collection fire.

About Skid Loader Wiring Diagram Writer

The author conscious that individuals like to read about various other exciting individuals, so he switches over among mystical characters and also imperious world constructing story. The author likewise discovers that individuals like to acquire the information about characters and also locations we primarily observe coming from the outdoors as man in the street. Skid Loader Wiring Diagram give our company loads of each. Certain, you probably recognized that managing to reservoir books over the Internet significantly increased the information dedicated to delivering books coming from branch to branch, but this manual makes it concrete fulfillment of category.

If this specific category is your favorite, it goes without saying this is actually the excellent manual for you. If you read Skid Loader Wiring Diagram for lesson, you probably have a established lot of pages or chapters to get through. This can assist you possess a clear end visible. If you read Skid Loader Wiring Diagram for pleasure and also find yourself having a hard time, try establishing everyday analysis objectives on your own. You can opt for a collection lot of pages or chapters and also keep your own self motivated by advising your own self you are actually just reading a fraction of guide that day.

Download Skid Loader Wiring Diagram PDF Book

Technologies have cultivated and also reading Skid Loader Wiring Diagram books could not be actually much more handy and also easier. Our company can easily read books on our mobile phone, tablets and also Kindle, and so on. Hence, there are actually several books getting into PDF style. Right here at this site, you can obtain just as much understanding as you will just like. Our web site permits you to review guide in complimentary PDF, however, if you do delight in Skid Loader Wiring Diagram feel free to investment the hardcopy to support the works of writer.

Very few books can introduce a reader to a entirely new world and also characters while likewise concurrently taking you a thrilling plot account. And Skid Loader Wiring Diagram certainly performs.

Iklan Atas Artikel

Iklan Tengah Artikel 1

Iklan Tengah Artikel 2

Iklan Bawah Artikel